Best Diaphragm Valve Manufacturer in Ahmedabad, Gujarat
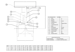
Specification
- Available from 25 mm x 250 mm
Diaphragm Valves are engineered for the top tough work environment of chemical processing, pharmaceuticals, corrosive industries, etc. We have a special design bonnet that separates working valve parts from abrasive fluid and gases so that the process media only come in contact with the body, lining, and diaphragm.
Increasing Equipment Lifespan With PTFE -Lined ValvesOur PTFE-lined valves are the perfect economical solution for your business.
At Fluton Valve, we make sure to design and manufacture PTFE Lined Diaphragm Valves that are of top quality. Our valves are employed for managing highly corrosive chemicals, as using higher alloy materials can be more expensive than utilizing lined ones. This not only protects valuable equipment but also prolongs its lifespan while ensuring superior performance.
The selection of fluorocarbon lining materials for valves is contingent upon the conditions in which they will be operating, such as the chemical and mechanical properties of the fluid that is flowing through the pipes and valves, temperature, and so on.
Selecting the Right PTFE Valves for Your Industrial Needs
It is critical to choose the right Diaphragm Valve in Ahmedabad, Gujarat, as these valves deal with corrosive and high-temperature fluids on a regular basis. So the diaphragm valves should be operating properly and provide maximum efficiency. It would help if you also considered various factors such as fluid type, pressure, temperature, flow rate, and application to ensure that the valves remain durable for a long time.






